Betoniniai laiptai įvairių tipų pastatams
Bendra informacija

Laiptų maršai
Surenkami laiptų elementai skaidomi į du tipus: laiptų maršai ir aikštelės. Laiptų maršai gaminami arba tipiniai pagal gamykloje esančias laiptų maršų formas, arba gali būti gaminami netipiniai pagal pateiktus individualius brėžinius. Svarbu žinoti, jog laiptų maršai visada gaminami formose. Naudojant tipines formas gaminiai formuojami greičiau ir optimaliau, kadangi sutaupoma laiko gaminių formos paruošimo stadijoje.
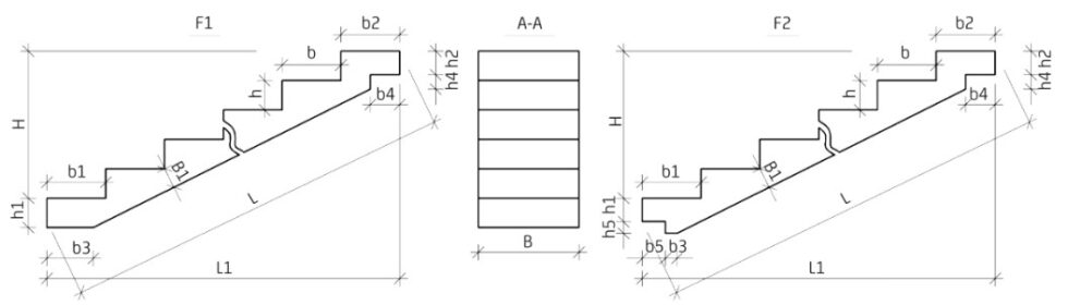
Naudojant tipines formas (1 lentelė) laiptų maršų pakopos aukštis (h) ir ilgis (b) yra fiksuoti. Tai negalioja tik galinėms maršų pakopoms. Apatinė pakopa (žiūrint lipimo kryptimi į viršų) gali būti trumpesnė arba tokia pati, kaip visos kitos pakopos. Viršutinė pakopa gali būti tiek ilgesnė, tiek trumpesnė už likusias. Gaminant standartinėse formose ties viršutine pakopa taip pat galima numatyti vientisą su maršu aikštelę. Maršo storis (B1) gali būti parenkamas įvairus, priklausomai nuo maršo ilgio ir apkrovos. Maršų plotis (B) ir pakopų kiekis gali būti skirtingas, bet ne didesni negu 1 lentelėje pateiktų tipinių maršų maksimalūs parametrai pagal atitinkamą laiptų pakopos geometrijos tipą.
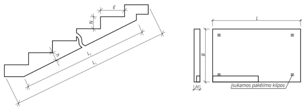
Gaminant laiptų maršus pagal nestandartę geometriją svarbu numatyti visus gamybai reikalingus parametrus (1 pav.). Kaip nestandartinius gaminius galima gaminti maršus kartu su apatinėmis aikštelėmis arba netgi su abiejom aikštelėmis, tačiau tokiems laiptatakiams reikalingos sudėtingesni klojiniai. Įmanoma gaminti netgi besisukančius laiptus, tačiau svarbu visada atsižvelgti į faktą, jog standartinių ir paprastesnės formos gaminių savikaina visada mažesnė. Dėl nestandartinių gaminių kreiptis į UAB Betonika pardavimų skyrių.
1 lentelė. Standartizuotų laiptų maršų parinkimas pagal pagrindinius parametrus.

Laiptų maršo klojininis betono paviršius yra lygus, o atviri betonavimo paviršiai užlyginamai. Užlyginimo kokybė - pagal užsakovo pageidavimą. Galima užlyginti paviršius itin gluotniai tam kad nereikėtų papildomos apdailos. Įprastai laiptų maršams gaminti naudojamas betonas C30/37, o aplinkos poveikio klasė numatoma XC1, esant patikimumo klasei RC2. Minimalus gaunamas ugniaatsparumas R60, maksimalus - R240.
Laiptų aikštelės
Laiptų aikštelės gaminamos individualių matmenų, pagal užsakovo ar projektuotojo pateiktus brėžinius. Aikštelės paprastai būna apie 200–220 mm storio, bet galutinai reikiamas elementų storis numatomas projektuojant. Projektuojama atsižvelgiant į tarpatramį, aikštelė veikiančias apkrovas bei kaip aikštelės jungiasi su kitais pastato elementais. Įprastai laiptų aikštelėms gaminti naudojamas C30/37 betonas, o aplinkos poveikio ir patikimumo klasės dažniausiai pasitaiko: XC1 ir RC2. Minimalus gaunamas ugniaatsparumas aikštelėms - R60, maksimalus - R240.

Laiptų maršų formavimo specifika ir naudojamos įdėtinės detalės
Formavimo specifika

Dažnai naudojamos įdėtinės detalės
Numatant gaminyje įdėtines detales svarbu žinoti
Laiptų aikštelių formavimo specifika ir naudojamos įdėtinės detalės
Formavimo specifika

Dažnai naudojamos įdėtinės detalės
Numatant gaminyje įdėtines detales svarbu žinoti
Jungtys





Leistinieji nuokrypiai

Pastabos:
1) matavimuose priimamos didesnės reikšmės;
2) tarpinės reikšmės randamos interpoliuojant.
Sandėliavimas, kėlimas, montavimas
Laiptų maršai
Maršai juos gaminant keliami už šonuose numatytų metalinių vamzdukų (pastarieji naudojami laiptų maršų iškėlimui iš klojinio ir maršo apvertimu) arba už elemento šone suprojektuotų įsukamų kėlimo kilpų (priklausomai nuo to kaip jie bus gaminami). Sandėliuojant ir transportuojant keliamos už kėlimui numatytų kilpų kurios dėl estetinių reikalavimų gali būti tik įsukamos.
Gaminius sandėliuoti būtina ant lygaus tvirto pagrindo. Laiptų maršai sandėliuojami tašelius ar lentas dedant išilgai gaminio, 10÷25 cm atstumu nuo šonų (10 pav.). Kadangi maršai kraunami vienas ant kito, būtina užtikrinti, jog sandėliuojant nenuskils pakopų briaunos. Rekomenduojama krauti ne daugiau kaip šešis laiptų maršus į rietuvę, kad nebūtų pažeistos apatinių elementų briaunos, tačiau, bendruoju atveju, už ant vienos rietuvės sandėliuojamų gaminių kiekį ir jų kokybę atsakingi už gaminių sandėliavimą ir krovimą atsakingi asmenys. Todėl ant vienos rietuvės sandėliuojamų gaminių kiekį tokie asmenys atsakingai parenka patys.
Laipų maršų kėlimui naudojami keturšakiai grandininiai, reguliuojamo ilgio stropai arba specialūs reguliuojamo ilgio montavimo diržai. Prieš keliant maršą, reikia įsitikinti, ar iki galo įsuktos kėlimo kilpos. Tada stropų ilgiai sureguliuojami taip, kad pakėlus gaminį, jis kabotų tiksliai projektinėje padėtyje, reikiamu kampu (11 pav.). Būtina įsitikinti, kad keliant gaminį, kampas tarp stropo šakų būtų <90°. Reikia ypač atkreipti dėmesį į tai, kad neteisingai sureguliavus stropų ilgį, montavimo metu galima pažeisti laiptų elementų atramines dalis.
Surenkamų laiptų maršų atraminės dalys yra gana nedidelio skerspjūvio, o apsauginis armavimo sluoksnis taip pat nedidelis, todėl juos montuoti reikia itin atidžiai ir tiksliai. Laiptų aikštelių išėmose padedamos reikiamo aukščio atraminės kaladėlės. Tada į tarpus tarp kaladėlių, po visu maršo atramos ilgiu paklojamas smulkiagrūdis C30/37 klasės betonas taip, kad guldamas į projektinę padėtį, laiptų maršas išspaustų betono perteklių. Reikia atkreipti dėmesį į tai, kad montuojami elementi turi tolygiai atsigulti ant visų keturių atraminių kaladėlių. Jei laiptatakiai užstropuoti neteisingu pasvirimo kampu, leidžiant į projektinę padėtį, vienas maršo galas atsirems į kaladėles, o kitas dar liks kaboti ore. Taip montuoti draudžiama, nes labai tikėtina, jog montavimo metu bus nuskeltas apsauginis betono sluoksnis. Elementų pasvirimo kampas turi būti užtikrintas toks, kad laiptų maršai vienu metu atsiremtų ant visų keturių montavimo kaladėlių.
Montuojant laiptų maršai turi būti sumontuoti preciziškai laiptų aikštelių ir laiptinės sienų atžvilgiu (paliekant projekte nurodytus tarpus). Reguliavimo darbai atliekami esant įtemptiems kėlimo stropams. Taip, kad lengvai, nenaudojant didelės jėgos, galima būtų gaminį pastumti reikiama kryptimi. Sureguliavus laiptatakį tarpai tarp laiptų elementų užtaisomi smulkiagrūdžiu betonu arba specialiu mišiniu. Sumontavus laiptų elementus, kilputės išsukamos, o likusios angos ir vamzdukai užtaisomi betonu.




Laiptų aikštelės
Aikštelės jas gaminant, sandėliuojant ir transportuojant keliamos už kėlimui numatytų įsukamų kilpų (12 pav.). Laipų aikštelių kėlimui rekomenduojama naudoti keturšakius stropus. Būtina įsitikinti, kad keliant gaminį, kampas tarp stropo šakų būtų <90°.
Gaminius būtina sandėliuoti ant lygaus tvirto pagrindo, medinius tašus padedant taip, kad neatsirastų įlinkių dėl nuosavo gaminio svorio. Laiptų aikštelės sandėliuojamos dedant atramas kuo arčiau projektinių gaminių atraminių taškų (13 pav.).
Laiptų aikštelės montuojamos labai įvairiai. Jos montuojamos ant mūrinių sienų, remiamos į surenkamų ar monolitinių gelžbetoninių sienų išėmas bei konsoles. Taip pat statomos ant atraminių staliukų ar naudojant iš aikštelių montuojant ištraukiamas teleskopines montavimo detales.
Montuojant pirmiausia aikštelių atrėmimo taškuose pagal projektinį apačios aukštį sudedamos atraminės kaladėlės. Į tarpus tarp kaladėlių, po visu aikštelės atramos ilgiu, paklojamas smulkiagrūdis C30/37 klasės betonas taip, kad guldamas į projektinę padėtį gaminys išspaustų betono perteklių. Pastačius aikštelę tarpai tarp laiptų aikštelių galų ir išėmų sienose užbetonuojami. Kitas būdas užbetonuoti laiptų aikštelės mazgus: įrengiami klojinukai, užsandarinantys plyšius laiptų aikštelės galuose.
Mazgai užpilami savaime išsilyginančiu, nesitraukiančiu skiediniu. Montavimo ir gaminio padėties atitaikymo darbai turi būti atliekami ne pilnai nuleidus gaminį ant atraminių kaladėlių, o esant įtemptiems stropams. Tik pilnai sureguliavus projekte numatytus tarpus tarp konstrukcinių elementų galima atlaisvinti ir gulsčiuku patikrinti aikštelių horizontalumą. Reguliuojant negalima naudoti didelės jėgos, nes priešingu atveju, reguliavimo metu, gali būti nuskeltas ne tik apsauginis, bet ir dalis atraminio betono sluoksnio.
Viensluoksnės sienos taip pat gali būti naudojamos pastatuose vietoje ryšių. Tai papildoma galimybė panaudoti šio tipo gaminius. Suprojektavus pakankamo tvirtumo jungiamuosius mazgus ir parinkus reikiamą gaminio masę bei gabaritą užtikrinamas didelis pastato standumas ir stabilumas.
Viensluoksnės sienos (laikančios apkrovas, neapkrautos atitvarinės, laiptinių bei liftų šachtų, ryšinės) projektuojamos atsižvelgiant į apkrovas, aplinkos sąlygas, garsinius ir priešgaisrinius reikalavimus. Dažniausiai tai būna 100 - 300 mm storio sienos (maksimaliai galima gaminti 500 mm) iš C25/30 stiprio betono, armuotos dviem armatūriniais tinklais. Didžiausias rekomenduojamas aukštis iki 3,80 metro. Sienos gaminamos iki 4 metrų aukščio, tačiau jų transportavimas sudėtingas. Maksimalus aminio ilgis/ plotis iki 12 metrų, tačiau racionaliau projektuoti atitvaras iki 6 metrų pločio, nes toks gaminys patogiau transportuojamas, gaminys suarmuojamas ekonomiškiau. Sienos svoris turėtų neviršyti 10 tonų (rekomenduojama). Toks dydis parinktas atsižvelgiant į dažniausiai naudojamų kranų keliamąją galią. Projektuojant 10 tonų ir sunkesnius gaminius visada papildomai reiktų atsižvelgti į planuojamo naudoti statybos aikštelėje krano strėlės siekio ir kėlimo galios kreivę.
Aukštos bet siauros sienos transportuojamos (bei sandeliuojamos) jas paguldžius šonu. Tokių sienų šonuose reikia numatyti papildomas kilpas gaminio pastatymui į vertikalią padėtį statybos aikštelėje.
Gaminant surenkamas sienas, gali būti įrengiamos nišos radiatoriams ar kitoms komunikacijoms montuoti. Gali būti numatyti užtinkuojami grioveliai arba sienoje paslėpti kanalai elektrai išvedžioti. Reikiamose vietose įdedamos metalinės detalės balkonų turėklų, laiptų elementų ar kitų konstrukcijų tvirtinimui.
Pakabinamos viensluoksnės sienos dažniausiai būna 70-100 mm storio, iš C30/37 stiprio granitinės skaldos betono, armuotos vienu armatūriniu tinklu. Projektuojant tokios rūšies sienas atsižvelgiama į aplinkos sąlygas ir reikalingą ugniai atsparumą.
Vienasluoksnių tiek paprastų, tiek pakabinamų sienų fasadinis paviršius priklausomai nuo kliento poreikių gali būti:
Liftų šachtos gali būti surenkamos iš atskirų elementų arba gaminamos kaip tūriniai elementai per visą pastato aukštą su anga lifto durims ir reikalingomis metalinėmis detalėmis lifto konstrukcijos tvirtinimui. Tūrinio elemento sienelės storis parenkamas skaičiavimo būdu, atsižvelgiant į pastato aukštį, apkrovas bei kitus parametrus.
Atraminės gelžbetoninės sienos naudojamos tada kai yra būtinybė įrengti vertikalius reljefo formavimo darbus. Dažniausiai naudojamos suformuoti grunto perkryčius, atitverti šlaitą. Kaip ir kiti plokštiniai elementai, jos gali būti gaminamos su įvairia apdaila, be apdailos arba numatant kad apdaila bus atliekama po gaminių sumontavimo.
Pastato sienų praktiškas sudalinimas į gelžbetonius elementus
Projektuojant pastatus iš surenkamo gelžbetonio svarbu racionaliai sudalinti sienas į atskirus elementus. Rekomenduojama vengti keletos didelių angų viename gaminyje. Angas komunikacijoms reikia numatyti taip, kad jos nesikirstų su pagrindine gaminio armatūra. Svarbu atkreipti dėmesį, kad gaminys turi atlaikyti apkrovas, tenkančias jam, ne tik eksploatacijos stadijoje, bet ir iškėlimo iš formos, sandėliavimo bei transporavimo metu.
Svarbu žinoti, jog sienos gali būti gaminamos ir transportuojamos į statybos aikštelę paguldytos horizontaliai. Tokiu atveju maksimalūs gaminio gabaritai: plotis iki 12 metrų, o aukštis iki 3,80 metro. Tokių gaminių svoris turėtų būti kuo mažesnis. Priedo elementas turėtų būti suprojektuotas taip, jog būtų konstrukciniu požiūriu tvirtas (reiktų vengti elemento išploninimo, didelių angų ir panašių elementą susilpninančių niuansų).
Dėl nestandartinių gabaritų kreiptis į UAB „Betonika“ pardavimų skyrių.
Atsisiųskite Laiptai.